7 年
手机商铺
公司新闻/正文
115 人阅读发布时间:2026-03-13 21:26
忙活大半天,地鼠处死了,肾脏取出来了,剪刀剪了半天,消化也做了——结果呢?细胞没贴壁,或者贴壁的全是成纤维细胞,再或者一夜之间培养皿里漂着一层白毛。
原代肾实质细胞提取,翻车的方式远比成功的方式多。
酶解时间差两分钟,细胞活性掉一半;离心转速没算对,想要的细胞全丢了;培养基少加一样因子,目的细胞根本不长。更别提杂细胞污染这个老大难——成纤维细胞贴着贴着就把肾小管上皮细胞挤没了。
这份原代地鼠肾实质细胞分离提取及培养Protocol,正是针对这些高频翻车点来的。从组织离体到细胞贴壁,把消化时间、离心参数、培养基配方、杂细胞控制这些关键环节的参数和操作逻辑全部拆解清楚。照着做,至少能帮你避开80%的坑。

1. 实验目的
高效分离、提取健康地鼠的肾实质细胞(主要为肾小管上皮细胞、肾小球系膜细胞等),建立稳定的原代培养体系,获得高活性、高纯度的肾实质细胞,为后续细胞生物学实验、血清筛选等研究提供合格的细胞材料。
2. 实验原理
利用机械分离结合酶解消化法,打破地鼠肾脏组织的细胞间连接(如胶原纤维、细胞黏附分子等),释放单个肾实质细胞;通过差速离心去除杂质、红细胞及破碎细胞,保留活性完整的肾实质细胞;在适宜的培养条件(特定培养基、温度、气体环境)下,模拟体内生理环境,使肾实质细胞贴壁生长、增殖,维持其原代细胞特性。
关键要点:严格控制酶解时间和温度,避免过度消化损伤细胞活性;选择适配肾实质细胞的培养基,添加必要的生长因子和血清,抑制成纤维细胞等杂细胞过度生长,提高细胞纯度。

3. 实验材料与仪器
3.1 实验动物
健康SPF级地鼠,1-2周龄(幼鼠肾组织活力高、细胞增殖能力强,杂细胞污染少),雌雄不限,体重5-10g;实验前禁食12h,自由饮水,适应性饲养1-2d。
3.2 试剂耗材(无菌级)
(1)基础培养基:DMEM/F12培养基(1:1),不含血清和抗生素;
(2)消化液:0.25%胰蛋白酶-EDTA消化液(胰蛋白酶终浓度0.25%,EDTA终浓度0.02%),提前37℃预热;
(3)终止液:含10%胎牛血清(FBS)的DMEM/F12培养基,提前37℃预热;
(4)清洗液:PBS缓冲液(pH7.2-7.4),添加青霉素(100U/mL)、链霉素(100μg/mL),高压蒸汽灭菌后4℃保存;
(5)完全培养基:DMEM/F12培养基(1:1)+ 10% FBS + 1%双抗(青霉素100U/mL+链霉素100ug/mL)+ 0.1%胰岛素转铁蛋白硒(ITS)+ 10ng/mL表皮生长因子(EGF),过滤除菌后4℃保存,现配现用;
(6)其他试剂:75%乙醇(无菌)、0.22μm滤器、台盼蓝染色液(0.4%);
(7)无菌耗材:培养皿(60mm/100mm)、离心管(15mL/50mL)、移液管(1mL/5mL/10mL)、手术器械包(眼科剪、眼科镊、止血钳)、无菌纱布、一次性无菌手套、口罩、帽子。
3.3 实验仪器
(1)细胞培养箱:37℃、5% CO₂、饱和湿度;
(2)高速冷冻离心机:转速可调(0-5000r/min),可制冷(4℃);
(3)超净工作台(生物安全柜):Class II级,无菌操作环境;
(4)倒置显微镜:配备10x、20x、40x物镜,用于观察细胞形态和活性;
(5)恒温水浴锅:可调节温度(37℃),用于预热试剂和酶解消化;
(6)高压蒸汽灭菌锅:用于灭菌试剂和耗材;
(7)电子天平:精度0.1mg,用于称量试剂;
(8)移液器:10ul、100ul、1000ul,配套无菌吸头;
(9)无菌操作台、酒精灯、试管架、离心管架等。
4. 实验准备
4.1 无菌环境准备
实验前30min,开启超净工作台紫外灯消毒30min,关闭紫外灯后通风10min;用75%乙醇擦拭超净工作台台面、实验仪器(移液器、离心管架等)及手术器械;实验人员穿戴无菌手套、口罩、帽子,双手用75%乙醇消毒,避免杂菌污染。
4.2 试剂与耗材准备
(1)将PBS缓冲液、终止液、完全培养基从4℃冰箱取出,置于37℃恒温水浴锅预热30min;胰蛋白酶-EDTA消化液单独预热,避免血清影响消化效果;
(2)检查无菌耗材包装是否完好,无破损、无漏气,按需摆放至超净工作台内;
(3)配制台盼蓝染色液,过滤除菌后备用;完全培养基现配现用,配制后轻轻颠倒混匀,避免气泡产生。
4.3 实验动物准备
将实验地鼠用颈椎脱臼法处死,立即放入75%乙醇中浸泡5min,彻底消毒体表(尤其是腹部区域),避免体表细菌污染肾脏组织;将消毒后的地鼠转移至超净工作台内,腹部朝上放置,用无菌纱布固定四肢。
5. 实验步骤(无菌操作全程)
5.1 肾脏组织分离
(1)用无菌眼科剪沿地鼠腹部中线剪开皮肤和腹膜,逐层分离组织,暴露腹腔内器官;用眼科镊轻轻拨开肠道、肝脏等器官,找到双侧肾脏(呈暗红色、椭圆形,位于脊柱两侧);
(2)用止血钳夹住肾脏蒂部(连接肾脏与血管、输尿管的部位),用眼科剪剪断蒂部,取出双侧肾脏,立即放入盛有预冷无菌PBS缓冲液的培养皿中;
(3)用无菌眼科镊剔除肾脏表面的脂肪组织、结缔组织及残留的血管、输尿管,用PBS缓冲液反复冲洗3次,每次冲洗后更换新的PBS,直至肾脏表面无杂质、颜色均匀(暗红色)。
5.2 肾实质细胞机械分离与酶解消化
(1)将清洗干净的肾脏放入新的无菌培养皿中,加入1mL预冷PBS缓冲液,用无菌眼科剪将肾脏剪成1mm³左右的细小组织块(尽量剪碎,避免大块组织影响酶解效果),剪碎过程中可补充少量PBS,防止组织干燥;
(2)用无菌移液管将组织块转移至15mL无菌离心管中,加入5mL预热的0.25%胰蛋白酶-EDTA消化液,轻轻颠倒离心管,使组织块与消化液充分混合;
(3)将离心管放入37℃恒温水浴锅中,酶解消化15-20min,期间每5min轻轻颠倒离心管1次,观察组织块变化(组织块逐渐分散、变浑浊,说明消化有效);
(4)当组织块大部分分散成细小颗粒、离心管内液体呈浑浊状时,立即加入5mL预热的终止液,轻轻颠倒混匀,终止胰蛋白酶的消化作用(避免过度消化导致细胞破裂、活性下降);
(5)用无菌移液管反复吹打离心管内的混合物20-30次(吹打力度适中,避免产生大量气泡损伤细胞),使组织块进一步分散,释放单个细胞;吹打后静置2min,让未消化完全的组织块沉淀,吸取上清液(含单个细胞)至另一支15mL无菌离心管中;
(6)向剩余未消化完全的组织块中,再加入3mL预热的胰蛋白酶-EDTA消化液,再次消化、终止、吹打、收集上清液,合并两次收集的上清液(最大限度获取单个细胞)。
5.3 细胞纯化与离心洗涤
(1)将合并后的细胞悬液放入高速冷冻离心机中,4℃、1000r/min离心5min,弃上清液(含胰蛋白酶、终止液及破碎细胞),沉淀为肾实质细胞;
(2)向离心管中加入5mL预冷的无菌PBS缓冲液,用无菌移液管轻轻吹打沉淀,使细胞重新悬浮,制成细胞悬液;4℃、1000r/min离心5min,弃上清液,重复洗涤2次(去除残留的酶液、血清及杂质,提高细胞纯度);
(3)末次离心后,弃上清液,向离心管中加入2mL完全培养基,轻轻吹打沉淀,使细胞均匀悬浮,制成单细胞悬液。
5.4 细胞活力检测与接种
(1)细胞活力检测:取10ul细胞悬液与10ul台盼蓝染色液混合均匀,静置3min后,滴加至血细胞计数板上,置于倒置显微镜下观察计数;活细胞呈无色透明,死细胞被台盼蓝染成蓝色,计算细胞活力(活细胞数/总细胞数×100%),活力≥90%方可用于接种;同时计数细胞浓度,调整细胞浓度至1×10⁶-5×10⁶个/mL;
(2)细胞接种:将无菌培养皿(60mm)置于超净工作台内,每皿加入6mL调整好浓度的细胞悬液,轻轻晃动培养皿,使细胞均匀分布在培养皿底部(避免细胞聚集);
(3)接种完成后,在培养皿盖边缘做好标记(注明细胞名称、接种日期、实验人员),将培养皿放入37℃、5% CO₂、饱和湿度的细胞培养箱中,静置培养。
5.5 原代细胞培养与换液
(1)接种后24h内,避免移动培养皿,让细胞充分贴壁(肾实质细胞贴壁较慢,24h后可在倒置显微镜下观察到少量贴壁细胞,呈梭形或多边形);
(2)首次换液:接种后48h,取出培养皿,在倒置显微镜下观察细胞贴壁情况,轻轻吸弃上清液(避免吸到贴壁细胞),加入2mL新鲜的完全培养基,轻轻晃动培养皿,冲洗贴壁细胞表面的残留杂质,再吸弃培养基,重新加入6mL新鲜完全培养基,放入培养箱继续培养;
(3)常规换液:之后每2-3天换液1次,换液操作同首次换液,换液时观察细胞形态、密度及有无污染(若培养基变浑浊、出现白色絮状物,说明存在细菌污染;若出现圆形、漂浮的异常细胞,说明可能存在真菌污染,需及时处理);
(4)细胞传代:当细胞密度达到80%-90%汇合时(倒置显微镜下观察,细胞铺满培养皿底部,相互接触但未重叠),进行传代培养(原代细胞传代次数不宜过多,一般传3-5代,避免细胞老化、特性改变)。
5.6 细胞传代步骤
(1)吸弃培养皿中的旧培养基,用PBS缓冲液轻轻冲洗贴壁细胞2次,吸弃PBS;
(2)加入1mL预热的0.25%胰蛋白酶-EDTA消化液,轻轻晃动培养皿,使消化液均匀覆盖细胞表面,放入37℃培养箱中消化3-5min,期间在倒置显微镜下观察,当细胞变圆、间隙增大、开始脱落时,立即加入1mL终止液,终止消化;
(3)用无菌移液管轻轻吹打培养皿底部,使贴壁细胞完全脱落,制成细胞悬液,转移至15mL离心管中;
(4)4℃、1000r/min离心5min,弃上清液,加入2mL完全培养基,吹打均匀,调整细胞浓度至1×10⁶个/mL左右;
(5)将细胞悬液接种至新的无菌培养皿中,每皿加入6mL,标记后放入培养箱继续培养,传代比例建议1:2-1:3。

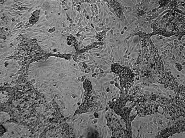
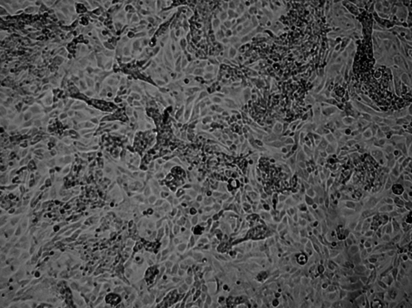
48小时形态观察

72小时形态观察

96小时形态观察
6. 注意事项
(1)无菌操作是实验成功的关键,全程在超净工作台内进行,实验器械、耗材、试剂需严格灭菌,实验人员需做好无菌防护,避免杂菌污染;
(2)酶解消化是核心步骤,需严格控制消化时间和温度,避免过度消化(导致细胞活性下降、破裂)或消化不充分(细胞分散不佳、产量低);消化过程中需密切观察组织块变化,及时终止消化;
(3)细胞吹打时力度要适中,避免用力过猛产生大量气泡,气泡会损伤细胞;吹打要充分,确保细胞分散成单个细胞悬液,避免细胞聚集影响贴壁和生长;
(4)所有试剂需提前预热至37℃(除PBS可预冷外),避免温度骤变损伤细胞;离心时温度控制在4℃,转速和时间准确,避免离心过快导致细胞破裂;
(5)培养过程中,每天在倒置显微镜下观察细胞形态、贴壁情况、密度及有无污染,发现异常及时处理(如污染细胞需立即丢弃,避免交叉污染);
(6)胎牛血清、EGF、ITS等添加试剂需妥善保存(-20℃或-80℃),避免反复冻融,影响其活性;完全培养基现配现用,配制后4℃保存不超过1周;
(7)实验动物处死需符合伦理要求,操作轻柔,避免过度损伤肾脏组织;肾脏组织取出后需尽快处理,避免放置时间过长导致细胞活力下降;
(8)台盼蓝染色后需在5min内完成细胞计数,避免染色时间过长导致活细胞被染色,影响计数结果。
7. 质量控制标准
(1)细胞活力:原代分离后细胞活力≥90%,传代后细胞活力≥85%;
(2)细胞纯度:倒置显微镜下观察,肾实质细胞(梭形、多边形,贴壁生长)占比≥90%,杂细胞(如成纤维细胞、红细胞)占比≤10%;可通过免疫细胞化学染色(如肾小管上皮细胞标志物CK18、肾小球系膜细胞标志物α-SMA)进一步验证纯度;
(3)细胞形态:贴壁后的肾实质细胞形态规则,呈梭形或多边形,胞质均匀,细胞核清晰,无异常形态(如细胞肿胀、破裂、空泡化);
(4)培养稳定性:原代细胞可稳定贴壁生长,换液后细胞形态无明显异常,传代后3-5天可达到80%-90%汇合,传3-5代后仍维持原代细胞特性;
(5)无菌要求:培养过程中无细菌、真菌、支原体等污染,培养基清澈透明,无浑浊、无白色絮状物,细胞无异常漂浮。
8. 实验废弃物处理
(1)实验动物尸体:放入专用生物废弃物收集袋中,进行高压蒸汽灭菌后,按生物安全废弃物处理规定统一丢弃;
(2)细胞悬液、培养基、消化液等液体废弃物:加入含消毒剂(如84消毒液)的收集容器中,浸泡30min后,倒入专用废液处理管道;
(3)无菌耗材(离心管、移液管、培养皿等):使用后放入专用生物废弃物收集袋中,高压蒸汽灭菌后,按医疗废弃物处理;
(4)实验器械:使用后用75%乙醇擦拭消毒,再进行高压蒸汽灭菌,晾干后妥善保存,备用。
9. 实验备注
(1)本Protocol适用于1-2周龄SPF级地鼠,若使用成年地鼠,需适当延长酶解时间(20-25min),且细胞活力和增殖能力可能下降;
(2)胰蛋白酶-EDTA消化液的消化效果受浓度、温度影响较大,若消化效果不佳,可适当提高胰蛋白酶浓度(不超过0.3%)或延长消化时间(不超过25min);
(3)若需获得单一类型的肾实质细胞(如仅肾小管上皮细胞),可在细胞贴壁后48h,利用差速贴壁法(成纤维细胞贴壁速度快于肾小管上皮细胞)去除成纤维细胞,或使用免疫磁珠分选法进一步纯化;
(4)细胞培养过程中,可根据细胞生长情况调整换液时间(如细胞密度增长较慢,可延长至3-4天换液1次;若细胞密度增长较快,可缩短至2天换液1次);
(5)实验过程中需做好实验记录,包括动物信息、接种细胞数、细胞活力、换液时间、传代次数、细胞生长情况等,便于后续实验追溯和重复。
原代细胞的提取与培养,既是一门技术,也是一门艺术。从无菌操作的严谨,到酶解时间的把控,再到细胞生长的观察,每一步都考验着实验者的耐心与细致。希望这份Protocol能为你提供清晰的操作指引,帮助你在科研道路上少走弯路,收获更多高质量的实验数据。

你在原代肾实质细胞提取中踩过哪些坑?消化时间把控、杂细胞去除、污染防控……欢迎在评论区分享你的经验或疑问。我们将从留言中选出3位,赠送金源康定制礼品一份